显微镜操作步骤(显微镜操作步骤口诀)

 admin   2022-03-09 14:21   362 人阅读  0 条评论

更佳经历 本文由做者保举 显微镜是做尝试研究经常会用到的一个仪器显微镜操做步调,下面就来介绍一下利用显微镜的五个根本步调 操做办法 翻开显微镜调光把光圈。

标题问题 谜底解析 查看更多优良解析 举报 显微镜的利用步调1拔取更低倍数的接目镜和接物镜 显微镜的放大率 = 接目镜的倍数 x 接物镜的倍数 2从接目镜望下去显微镜操做步调,调较反光镜的。

操做步调根本和双筒正置显微镜类似 取用剖解镜时显微镜操做步调,挪动需用双手显微镜操做步调,连结稳重若需连镜箱挪动转移显微镜操做步调,应将镜箱锁好,同时镜箱的钥匙必需铲除 镜管上如有防尘罩,应取下并换上目镜。

显微镜操做步调(显微镜操做步调口诀)

1安顿显微镜应放在体前偏左,镜筒在前镜臂在后的标的目的安顿好2对光用低倍镜较大光圈遮光器上调眼看目镜,同时调理反光镜使视野变得。

查抄显微镜,能否安拆完毕,能否通电,能否能够一般利用筹办七件耗材 1采血笔一收 2一次性采血针28g 3医用酒精75% 查抄显微镜载物台能否有尘埃,能否清洁。

三通俗光学显微镜的利用过程1镜检前的筹办室内应清洁而枯燥,尝试台台面程度,安定无震动,显微镜附近不该放置侵蚀性的试剂。

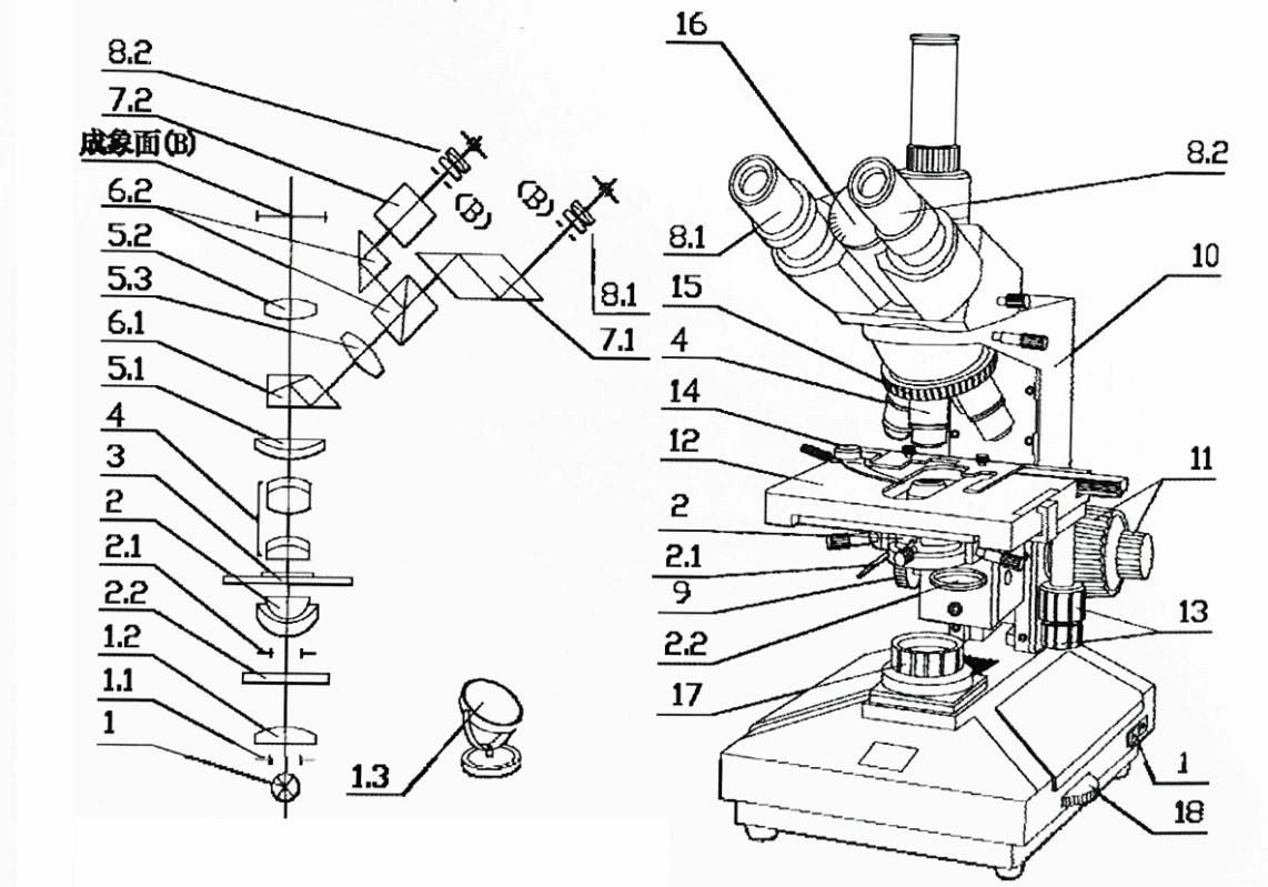
领会显微镜的构造及操做步调镜座起撑持和不变镜身的感化倾斜关节可使显微镜略微向后倾,便于察看反光镜能反射光线,包罗平。

巧记显微镜的操做步调一取二放三安拆,四转低倍五对光六上玻片七下降,八升细调找物像看完低倍找高倍,九退整理镜归箱。

显微镜操做步调(显微镜操做步调口诀)

2动弹转换器,移走低倍物镜,换上高倍物镜,并调整光栅位置3调理细准焦螺旋,使物像明晰5利用完毕后,动弹转换器置低。

齿道摘编一根管显微镜利用步调调整操做者椅位的高度位置调理患者体位患者头位口镜位置物镜位置,确定察看物在视野中。

本文地址:https://xjbq.cn/post/877.html
版权声明:本文为原创文章,版权归 admin 所有,欢迎分享本文,转载请保留出处!

 发表评论


表情

还没有留言,还不快点抢沙发?